SVG无功补偿装置介绍及原理解析
SVG无功补偿装置介绍及原理解析
1 什么是SVG无功补偿装置
SVG(Static Var Generator,静止无功发生器)无功补偿装置是一种先进的电力电子装置,用于动态调节电网中的无功功率,来保持电网当中电压的稳定,防止电压闪变和波动,另外具备功率因数校正,谐波抑制等来改善电能质量和电网稳定性。它通过快速响应和灵活的无功功率调节能力,能够在电力系统中提供高效的无功补偿。目前非常广泛的应用在风光储等场合。
2 SVG工作原理
SVG无功补偿装置主要由功率电子变换器(通常是电压源型逆变器)、控制系统和滤波装置组成。所以就可以从下面几个方面来理解SVG的主要工作原理了。
首先是从检测无功功率需求方面:SVG通过电流互感器和电压互感器实时检测电网的电压和电流参数,从而计算出当前电网的无功功率需求。
其次控制系统计算:根据检测到的无功功率需求,SVG的控制系统快速计算出所需的无功功率补偿量,并生成相应的控制信号。
功率电子变换器输出无功功率:控制信号驱动功率电子变换器,调节输出的电压和电流相位,以提供所需的无功功率补偿。
无功功率注入电网:生成的无功功率通过滤波装置注入电网,从而实现无功功率的补偿,改善电压质量和电网稳定性。
SVG无功补偿控制柜主要是包括功率电子变换器、控制系统、保护装置、冷却系统和通信接口等。
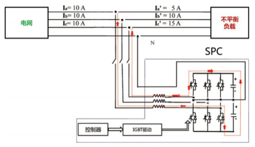
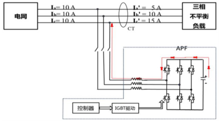
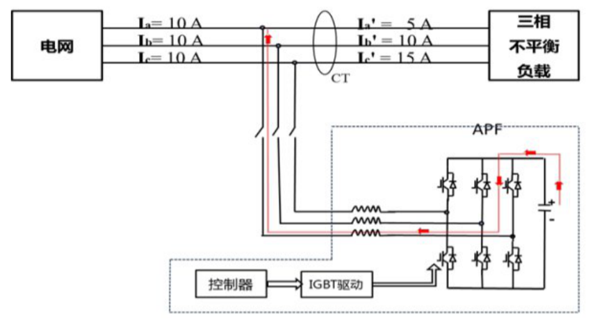
3 三相不平衡补偿原理
SVG开启后,通过外接电流互感器(CT)实时检测系统电流,并将系统电流信息发送给内部控制器进行处理分析,以判断系统是否处于不平衡状态,同时计算出达到平衡状态时各相所需转换的电流值,然后将信号发送给内部IGBT并驱动其动作,将不平衡电流从电流大的相转移到电流小的相,最后达到三相平衡状态。
假设A、B、C三相负载电流分别为:5A、10A、15A,这时候我们就认为此系统的三相电流出现了不平衡,三相电流完全平衡的状态应该是A、B、C三相电流全部为10A。在某一个瞬间,C相的IGBT动作,将C相的交流电整流为直流电之后存储在SVG内部的母线电容中,如下图所示。
在某个瞬时,A相的IGBT动作,将SVG内部的母线电容(A、B、C公用同一组母线电容)上的直流电进行逆变,然后释放到系统A相上,这样A、B、C三相电流全部为10A。其原理就是将某相多出来的电流存储到SVG母线电容中,然后从母线电容取出电流补偿需要补偿的某相。
3 风、光、储为什么要装SVG无功补偿呢?
国家电力部门的规定:凡是安装有低压变压器地方及大型用电设备旁边都应该配备无功补偿装置,特别是那些功率因数较低的工矿、企业、居民区必须安装。大型异步电机、变压器、电焊机、冲床、车床群、空压机、压力机、吊车、冶炼、轧钢、轧铝、大型交换机、电灌设备、电气机车等尤其需要。居民区除白炽灯照明外,空调、冷冻机等也都是无功功率不可忽视的耗用对象。农村用电状况比较恶劣,多数地区供电不足,电压波动很大,功率因数尤其低,加装补偿设备是改善供电状况、提高电能利用率的有效措施。
风光储发电站的特点:
风电、光伏和储能系统的输出电力具有波动性,通过SVG能实时调节无功功率,降低谐波含量。
风电和光伏发电受天气条件影响较大,输出功率波动性强。储能系统虽然可以平抑波动,但在瞬态情况下依然需要快速响应。通过安装SVG能够提高供电可靠性和维持电压的稳定性。
风电、光伏和储能系统并网时,电网公司通常对无功功率补偿提出严格要求。安装SVG可以满足并网标准并能符合电力法规。
风电、光伏和储能系统的发电效率不仅与环境条件有关,还受电网电压水平的影响,因此可以通过SVG来优化运行条件,延长设备寿命,另外无功功率波动会导致电网损耗增加,影响整体运行经济性,通过SVG还能降低运行成本和电能损耗。
风电、光伏和储能系统安装SVG无功补偿装置是确保其高效、稳定和安全运行的关键措施。SVG装置能够显著改善电能质量,增强电网稳定性,满足电网接入要求,提高发电效率,并降低损耗和运行成本。通过安装SVG,这些可再生能源系统可以更好地融入电网,实现可持续发展的目标。
4 SVG和SVC的区别
SVG是英文Static Var Generator的缩写,是静止无功发生器也被称为静止同步补偿器(STATCOM)。
SVC是英文Static Var Compensator的缩写,是无功补偿器。
4.1 SVG
它可分为电压型和电流型两种,其既可提供滞后的无功功率,又可提供超前的无功功率。简单地说,SVG的基本原理就是将自换相桥式电路通过电抗器或者直接并联在电网上,适当调节桥式电路交流侧输出电压的相位和幅值,或者直接控制其交流侧电流,就可以使该电路吸收或者发出满足要求的无功电流,实现功率无功补偿的目的。
4.2 SVC
它是用于无功补偿典型的电力电子装置,它是利用晶闸管作为固态开关来控制接入系统的电抗器和电容器的容量,从而改变输电系统的导纳。按控制对象和控制方式不同,分为晶闸管控制电抗器(TCR)和晶闸管投切电容器(FC)配合使用的静止无功补偿装置(FC+TCR)和TCR与机械投切电容器(MSC)配合使用的装置。
4.3 SVG与SVC对比之优点
STATCOM与同步调相机、SVC装置相比较具有如下优点:
- 采用数字控制技术、系统可靠性高,基本不需要维护,可以节省大量的维护费用。
- 在提高系统的暂态稳定性、阻尼系统震荡等方面的性能大大优于传统的同步调相机。
- 控制灵活、调节速度更快、调节速度广,在感性和容性运行工况下均可连续快速调节,响应速度可达毫秒级。
- 静止运行、安全稳定,没有调相机那样的大型转动设备,无磨损,无机械噪声,将大大提高装置寿命,改善环境影响。
- 对电容器的容量要求不高,可以省去常规装置中的大电感和大电容及庞大的切换机构,使STATCOM的体积小、损耗低。
- 连接电抗小。STATCOM接入电网的连接电抗,作用是滤除电流中存在的较高次谐波,另外起到将变流器与电网连接起来的作用,因此其电感量远小于补偿容量相同的TCR等SVC装置所需的电感量。
- STATCOM输出电流不依赖于电压,表现为恒流源特性,具有更宽的运行范围。而SVC本质是阻抗型补偿,输出电流和电压成线性关系。因此系统电压变低时,同容量STATCOM可以比SVC提供更大的补偿容量。
- STATCOM比SVC具有更快的响应速度,因而更适合抑制电压闪变。STATCOM响应时间在10ms以内,而SVC响应时间一般在20~40ms。STATCOM从额定容性无功功率变为额定感性无功功率(或相反)可在1ms之内完成,这种响应速度完全可以胜任对冲击性负荷的补偿。
- STATCOM的桥式电路采用多重化技术、多电平技术或PWM技术来消除次数较低的谐波,并使如7、11等较高次数谐波减小到可以接受的程度。而SVC本身要产生一定量的谐波,如TCR型的5、7次特征次谐波量比较大,占基波值的5%~8%。其他如SR、TCT等也产生3、5、7、11等次的高次谐波,这给SVC系统的滤波器设计带来许多困难。
- 在故障条件下,STATCOM比SVC具有更好的控制稳定性。SVC使用了大量电容器电抗器,当外部系统容量与补偿装置的容量可比时,SVC会产生不稳定性。STATCOM对外部系统运行条件和结构变化不敏感。
- STATCOM比同容量SVC占地面积小、成本低。STATCOM由于使用直流电容器储能,可以减小电容器体积,且不需要并联电抗器即可控制无功功率平滑变化,因此安装尺寸大大减小。
- STATCOM能够在一定范围内提供有功功率,减少有功功率冲击。SVC只能提供无功功率,不具备提供有功功率的功能。
4.4 SVG和SVC综合比较
| 比较内容 | SVG | SVC |
|---|---|---|
| 无功 控制能力 |
从额定容性到额定感性无功连续运行 | 连续,容性无功由FC或滤波器组提供,TCR只提供感性无功 |
| 无功补偿 响应速度 |
响应速度快(1ms-10ms)不引起电网谐振 | 响应速度慢(40ms~60ms)需要考虑电网谐振问题 |
| 快速冲击负荷补偿效果 | 好 | 较差 |
| 电压对补偿效果的影响 | 输出无功电流与系统电压无关 | 系统电压下降时输出无功电流成比例下降 |
| 同等补偿效果所需容量 | 1.0 | 1.2-1.3 |
| 占地面积 | 小(为SVC的1/5-1/3倍) | 大 |
| 输出谐波 | 系统补偿时很小,可忽略;负荷补偿时吸收负荷谐波电流 | 产生大量谐波,需多组滤波器 |
| 价格比较 | SVG价格与SVC相当 | 铜、铁价格上升对SVC成本影响大 |
| 典型 0-100Mvar电路 |
![]() |
![]() |
| 损耗与输出无功的关系 | 零无功输出时损耗不到SVC的三分之一;零到半载运行时等效损耗大大小于SVC |
零无功时TCR需运行在额定输出,损耗大;零到半载运行时等效损耗远大于SVG |
| 综合 性能/价格比 |
性价比高SVG优点:补偿能力强、速度快、占地小、损耗小 | 性价比低SVC缺点:反应慢、谐波大、占地面积大、损耗大 |
5 SVG设计总结
5.1 两电平电压源换流器数学模型
在基频分量下,电压源换流器在三相静止坐标系下的数学模型,以矩阵形式表达。
进行坐标变换得到两相dq旋转坐标系下的基频模型。
当控制角非常小时,svg有功功率与无功功率可以近似表示为
结论
1)当Uc滞后于Us,即 时,P>0,表示svg从电源吸收有功功率。吸收的能量一部分用于补偿svg的功耗,另一部分用于向直流电容器充电,升高直流电压。
2)当Uc超前于Us,即 时,P<0,表示svg向电源回馈有功功率。回馈的能量来自直流电容放电,导致直流电压回落。
3)Uc>Us时,Q>0,svg发出容性无功。
4)Uc<Us时,Q<0,svg发出感性无功。
5.2 svg仿真设计
电路参数:设计svg额定容量±100kvar,交流电网额定线电压380V/50Hz
svg串联电抗器的选择,串联电抗器的电抗率对svg的运行特性影响很大,串联电抗器的首要任务是缓冲VSC逆变输出的电压突变,对交流电起到滤波的作用。串联电抗器的电抗率定义以svg额定参数为基准的电抗标幺值,即
当电抗标幺值为20%时,可取电感1mH。
串联电阻可以取电抗值的五分之一,R=0.0626Ω。
电容器的选择:
±100kvar的svg,额定电压为380v,额定电流152A,PWM开关频率5kHz,直流电压控制再760v,要求PWM调制引起的直流电压波动率小于2%,电容可取6mf。
根据无功功率计算出Iq=262,等效电路阻抗R+wL=0.32欧姆,设Us与Uc夹角为 ,
根据
计算出Uc的长度,在Us为380v,Uc=462v,根据余弦定理,可以求出 ,
在容性无功下计算得到, ,可以计算出Id=12A,用PID参数整定,Ucd与Ucq经过反dq恒幅值变换为调制波,根据公式可以计算调制比 ,其中 ,所以Ucq与Ucd接近为0。Offset可以设置为455。










零无功输出时损耗不到SVC的三分之一;零到半载运行时等效损耗大大小于SVC
零无功时TCR需运行在额定输出,损耗大;零到半载运行时等效损耗远大于SVG





































