spwm实现单向逆变
spwm实现单相逆变
1 spwm分析
当前比较主流的逆变控制器有svpwm(空间矢量脉宽调制)以及spwm(正弦脉宽调制)。其中svpwm更适用于三相逆变和foc控制。spwm的具体控制原理为将正弦波作为基波,三角波作为载波,利用pwm进行离散控制,在基波大于载波时,输出高电平,在小于载波时输出低电平。如下图。
我们就会得到一系列基于基波不断变化的pwm方波。
下面介绍pwm方波是如何转变为正弦波进行输出的,我们知道在载波(三角波)频率远远大于基波(正弦波)频率时,在一个周期内基波的值不会发生变化,为sin(t)。所以,在载波小于sin(t)时,pwm输出高电平,又因为三角波的线性特性,pwm的占空比是和sin(t)成正比的。我们知道,冲量相等而形状不同的窄脉冲加在具有惯性的环节上时,其效果基本相同。换句话说就是通过一系列形状不同的窄脉冲信号,相对应时间的积分相等(面积相等),其最终效果相同。
所以一系列的pwm经过电感进行滤波之后,加在负载上的便是正弦电压。
2 matlab仿真验证
1、下面左边的是频率很高的三角载波。可以看到输出为正弦波。
载波和基波
输出波形
2、即使正弦波幅值小于三角波幅值,输出也依然为正弦波,而且输出的幅值随输入基波幅值线性变化。这很容易理解,因为基波缩小几倍对应的sin(t)也缩小相同的倍数,占空比也缩小相同的倍数。
基波缩小两倍,输出也缩小两倍
3、但当正弦波幅值大于三角波幅值时,波形便发生了改变,所以实际操作时必须对基波进行限幅。
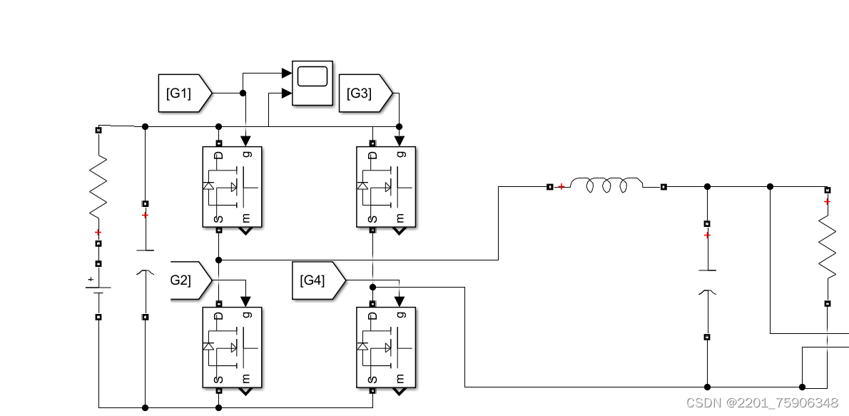
3 单相逆变器电路拓扑及控制原理
为了实现电路中电流的正向反向流动,我们需要一个全桥电路对电路中的电流进行调制。
那么为了使加到负载上的电压是成正弦波变化的,我们就要使用到上一节所讲述的方法,将占空比不断变化的方波施加到mos管的栅极。这里将pwm施加到MOS管的方式有单极性调制和双极性调制。所谓单极性调制,就是当pwm为高电平时,电路驱动左端的高侧mos和右端的低侧mos导通。当pwm为低电平时,就和上述相反。很容易想到当pwm占空比大于50%时,电流将正向流动,当占空比小于50%时,电流就将从右端的高侧mos流向左端的低侧mos,这时电流反向流动。这样就实现了电流的双向流通,实现了逆变。可以想到,这样的方式控制上非常简单,但是在一个pwm周期内,电感上将会被施加上正向和反向的电压,纹波将会非常大。
所以,在实际中,我更倾向于使用双极性的调制方式。双极性调制即在一个周期内通过控制mos管的开断实现电压的施加和电流的续流。
当基波大于零时,右侧半桥的下管始终打开,此时逆变电压的调制主要靠左侧半桥。当基波大于载波时,左侧半桥的上管导通,此时负载被施加正向电压。当基波小于载波时,左侧半桥的下管导通,此时电感通过左侧和右侧半桥的下管实现续流(这个很想Buck拓扑)。
反之当基波小于零时左侧半桥的下管始终打开,右侧半桥的控制同理。
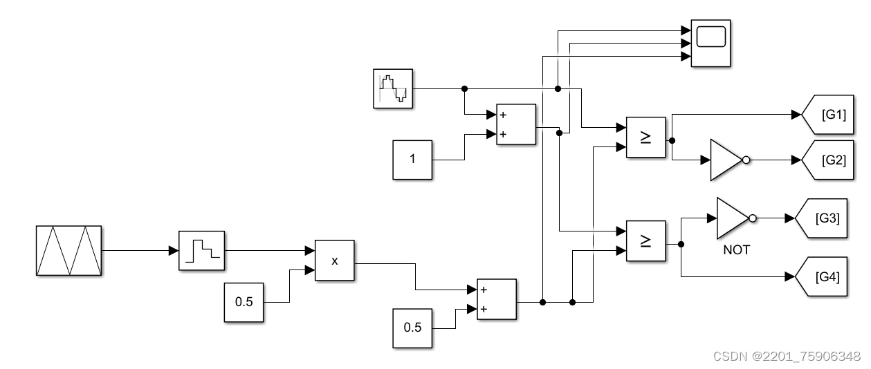
可以想到,这样的控制方式对减小纹波有很大的帮助。那在实际中如何得到与上述方式相同的驱动mos的pwm波呢?我们知道,在一个周期中,半个周期的时间内有一侧的半桥的状态始终不改变。所以我选择的控制如下图。
示波器波形如图:
图中存在两个正弦波,一个基波,一个基波加了一。将这两个波形与载波进行比较后将输出的pwm信号给mos管即可进行双极性调制。具体过程可以自行分析。













