MAX485芯片介绍
MAX485芯片介绍(MAX485ESA+T,半双工RS422和RS485串口收发传输芯片,2.5Mbps传输速率。5V逻辑电平)
1 芯片介绍(丝印MAX485)
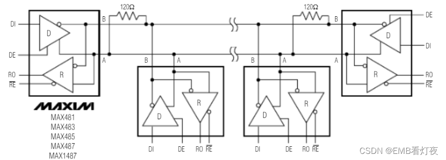
max485接口芯片是Maxim公司的一种RS-485芯片。MAX485、MAX487、MAX491以及MAX1487是用于RS-485与RS-422通信的低功耗收发器,每个器件中都具有一个驱动器和一个接收器。
MAX483、MAX487、MAX488以及MAX489具有限摆率驱动器,可以减小EMI,并降低由不恰当的终端匹配电缆引起的反射,实现最高250kbps的无差错数据传输。MAX481、MAX485、MAX490、MAX491、MAX1487的驱动器摆率不受限制,可以实现最高2.5Mbps的传输速率。
这些收发器在驱动器禁用的空载或满载状态下,吸取的电源电流在120mA至500mA之间。另外,MAX481、MAX483与MAX487具有低电流关断模式,仅消耗0.1mA。所有器件都工作在5V单电源下。
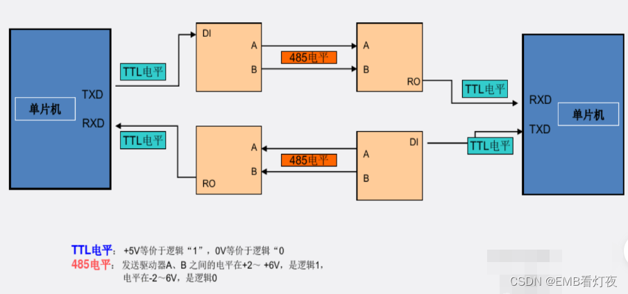
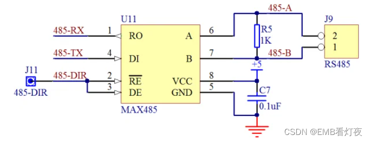
采用单一电源+5V工作,额定电流为300μA,采用半双工通讯方式。它完成将TTL电平转换为RS-485电平的功能。MAX485芯片的结构和引脚都非常简单,内部含有一个驱动器和接收器。RO和DI端分别为接收器的输出和驱动器的输入端,与单片机连接时只需分别与单片机的RXD和TXD相连即可,RE和DE端分别为接收和发送的使能端,当RE为逻辑0时,器件处于接收状态,当DE为逻辑1时,器件处于发送状态,因为MAX485工作在半双工状态,所以只需用单片机的一个管脚控制这两个引脚即可,A端和B端分别为接收和发送的差分信号端,当A引脚的电平高于B时,代表发送的数据为1,当A电平低于B时,代表发送的数据为0。在与单片机连接时接线非常简单。只需要一个信号控制MAX485的接收和发送即可。同时将A和B端之间加匹配电阻,一般可选120Ω的电阻。
2 芯片引脚介绍
RO和DI分别为接收器的输出和驱动器的输入端。
RE和DE分别为接收和发送的使能端。
A端和B端分别为接收和发送的差分信号端。
3 芯片特性
芯片 总线收发器
器件类型: 收发器
芯片接口类型: RS422, RS485
驱动器数: 1
电源电压最小值: 4.75V
电源电压最大值: 5.25V
封装类型: SOIC
针脚数: 8
工作温度最小值: -40°C
工作温度最高值: 85°C
MSL: MSL 1 -无限制
工作温度范围: -40°C 至 +85°C
接收器数: 1 收发器数: 1
收发器类型: 差分
数据率: 2.5Mbps
电源电压范围: 4.75V 至 5.25V
电源电流: 500μA
线/总线驱动器/接收器/收发器
类型: 低功率传送器/接收器







